分離膜コラム
中空糸型UF膜分離装置MSSシリーズが新登場
ろ過・分離・濃縮・精製 あらゆる液体処理に
中空糸型UF膜分離装置
MSS series
UF膜モジュール1本搭載のシンプルな膜処理装置が登場しました。
半世紀を超えて有機分離膜に向き合ってきたダイセンがご提案する膜処理装置のエントリーモデルです。
小スケールの評価にて膜の適用が確認できたお客様には、こちらのMSSシリーズを次のご検討ステップとしてご利用ください。継続的な研究・評価用としてはもちろん、少量であれば生産用としてもお使いいただけます。

MSSシリーズの用途
研究設備
ラボ設備として
パイロット評価
プレ生産に
シーズン生産
少量多品種生産に
MSSシリーズの特長

クロスフロー装置で
ろ過分離の他に濃縮・精製もOK
- 中空糸膜のメリットを引き出すクロスフロー設計
- 内圧式中空糸のかきとり効果で詰まりにくい
- 全量ろ過タイプに比べて簡単に濃縮処理が可能。加水すれば精製処理もOK

手動運転だから
マルチな使い方が可能
- 事前プログラムがないので自由度が高く、マルチユースが可能
- 条件を調整し、検証したい研究シーンでも活躍
- バルブを閉めれば全量ろ過装置としても使用可能

はじめての膜処理導入に
ちょうどいい装置
- 1m×1m~の省スペース対応
- キャスター付きの可搬式装置で使用シーンに応じて移動できる
- シンプルな構成でメンテナンスも簡単

膜メーカー設計の装置を
コストを抑えてお届け
- 規格品としてベース設計することでコストを抑えました
- 材質と処理量の異なる5機種をご用意
- UF膜は洗浄して繰り返し使用可能
処理のパターン

濃縮
分離膜の分画分子量よりも大きい物質だけが残留し、イオンなどの小さな不純物や水分が抜けていくため、大きい物資のみが濃縮されます。
精製
原液に加水して濃縮液側に高分子を保持しながら運転することで、イオン分や低分子物質をろ過液側に透過し、高分子物質の純度を高める処理が可能です。
分離
分離したい物質に適した分画分子量の分離膜モジュールを使用することで、液の中に混ざった物質を、物質のサイズ差を利用して分離します。
ろ過
UF領域の分離膜処理によって、高分子の不純物や濁質、細菌、ウィルスなどが取り除かれるため、ろ過液の清澄化や除菌が可能です。
選べる2タイプ
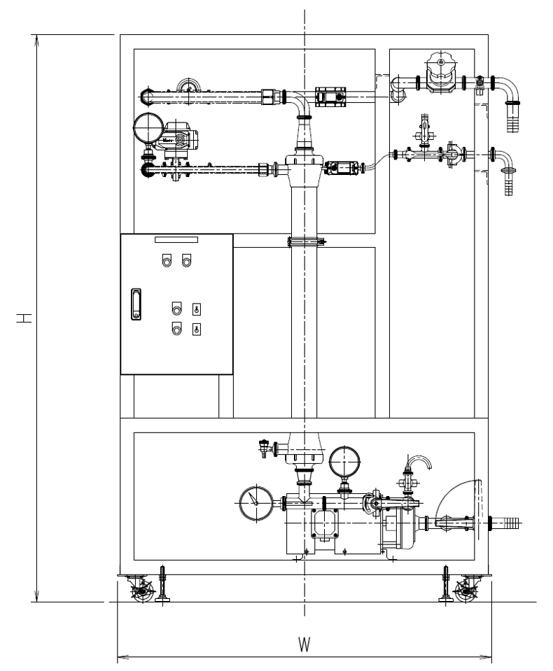
化学・食品向け SMタイプ
耐薬品性・耐熱性をお求めの方におすすめ。
安心のサニタリー仕様の装置です。
- 配管材質SUS304
- サニタリー仕様
- 処理量2段階
- インターロック付き

外形図

*MSS-F10-SMとMSS-F03-SMの外形図は共通です
フロー図

製品仕様
| 型式 | MSS-F10-SM | MSS-F03-SM |
|---|---|---|
| 搭載可能モジュール |
FS10-FC-FUS0181 FS10-FC-FUS0353 FS10-FC-FUS0382 FS10-FC-FUS1582 FS10-FC-FUS5082 FS10AFC-FUS0181 FS10-FC-FUST653 FS10-FC-FUY15E1 |
FS03-FC-FUS0181 FS03-FC-FUS0353 FS03-FC-FUS0382 FS03-FC-FUS03C1 FS03-FC-FUS1582 FS03-FC-FUS5082 FS03AFC-FUS0353 FS03-FC-FUST653 FS03-FC-FUY03A1 |
| 装置寸法(mm) | W1300×D820×H2000 | W1300×D820×H2000 |
| 構成品 |
原水ポンプ(インバーター付)・架台(キャスター付)・配管(SUS304・フッ素樹脂ホース)・バルブ・圧力計・流量計・温度計・制御盤 |
原水ポンプ(インバーター付)・架台(キャスター付)・配管(SUS304・フッ素樹脂ホース)・バルブ・圧力計・流量計・温度計・制御盤 |
| 原水流量(*1) | 1.9~3.8㎥/hr | 1.9~3.8㎥/hr |
| ろ過水流量(*2) | 1.7~4.4㎥/hr | 0.4~0.6㎥/hr |
| 運転最低液量(*3) | 20~30L | 20~30L |
| 電源 | 200V Φ3 50/60Hz | 200V Φ3 50/60Hz |
| 運転方法 | 手動運転(伏流洗浄機能・インターロック付) | 手動運転(伏流洗浄機能・インターロック付) |
|
オプション設備・機能 (追加料金) |
・原水タンク(濃縮タンク) ・ろ過水タンク ・逆圧洗浄機能(洗浄用の設備一式:逆洗ポンプ/配管/バルブ/圧力計/流量計など) ・自動運転制御 |
・原水タンク(濃縮タンク) ・ろ過水タンク ・逆圧洗浄機能(洗浄用の設備一式:逆洗ポンプ/配管/バルブ/圧力計/流量計など) ・自動運転制御 |
*1:膜面線速0.5~1.0m/sで運転した場合の参考値
*2:入口圧力0.1MPa、水温25℃の純水を全量ろ過した場合の参考値
*3:運転最低液量は装置の稼働に最低限必要な原液量を指し、使用するタンクによって異なります。
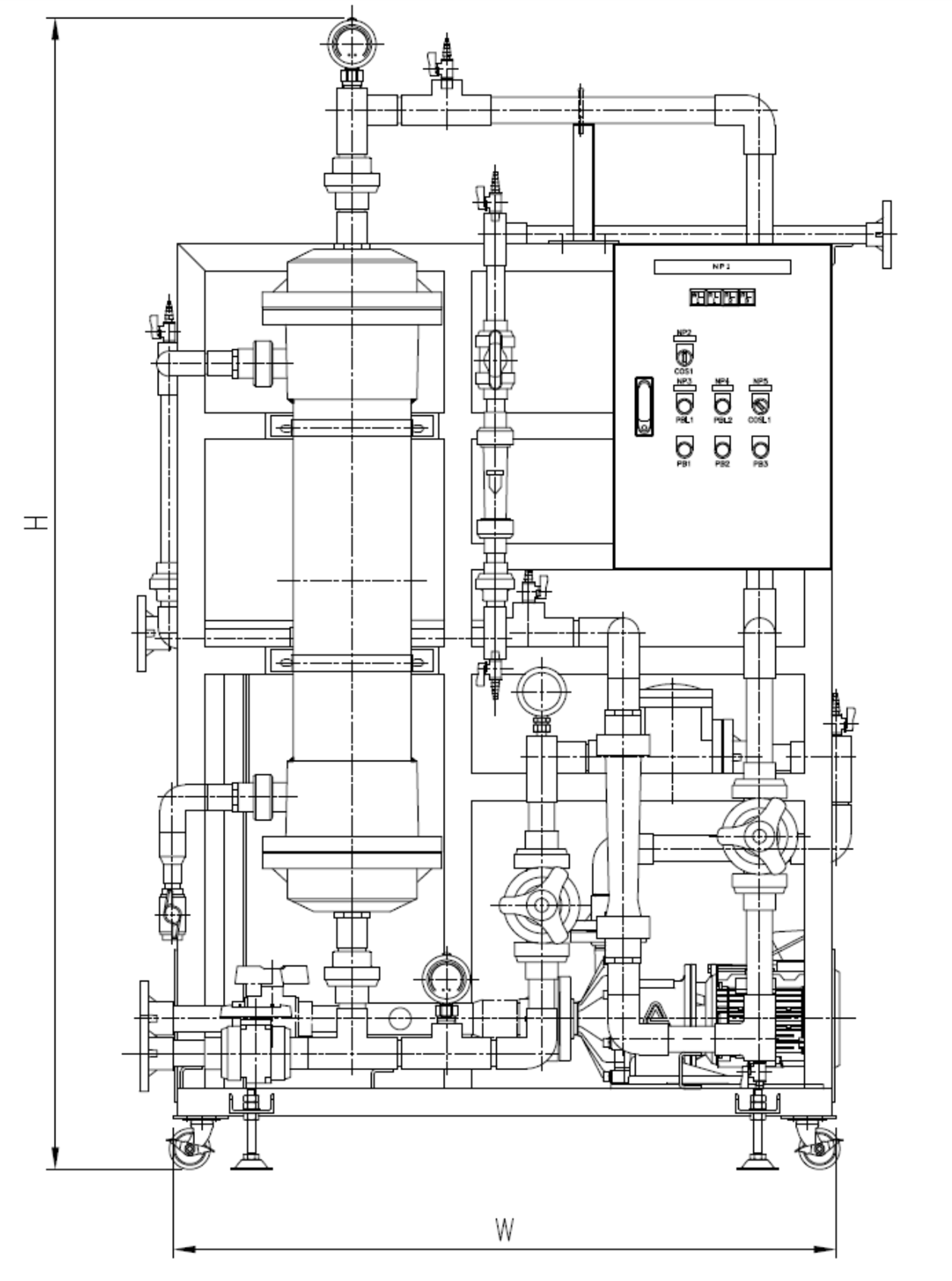
水産・水処理向け PMタイプ
スタート費用を抑えたたい方にも最適。
海水対応のPVC製装置です。
- PVC製配管
- 海水対応ポンプ
- 処理量3段階
- インターロック付き

フロー図

外形図
MSS-F20-PM

MSS-F10(F03)-PM

製品仕様
| 型式 | MSS-F20-PM | MSS-F10-PM | MSS-F03-PM |
|---|---|---|---|
| 搭載可能モジュール |
FN20-VP-FUC1582 FN20-VP-FUC1583 FN20-VP-FUS0382 FN20-VP-FUS1582 FN20-VP-FUS5082 FN20-VP-FUY03A1 FN20-VP-FUY15E1 FN20専用ハウジング |
FE10-FC-FUC1582 FE10-FC-FUST653 FE10-FC-FUS0181 FE10-FC-FUS0353 FE10-FC-FUS0382 FE10-FC-FUS03C1 FE10-FC-FUS1582 FE10-FC-FUS5082 FE10-FC-FUY03A1 FE10-FC-FUY15E1 |
FS03-FC-FUS0181 FS03-FC-FUS0353 FS03-FC-FUS0382 FS03-FC-FUS03C1 FS03-FC-FUS1582 FS03-FC-FUS5082 FS03AFC-FUS0353 FS03-FC-FUST653 FS03-FC-FUY03A1 |
| 装置寸法(mm) | W1380×D700×H2113 | W1020×D570×H1985 | W1020×D570×H1985 |
| 構成品 | 原水ポンプ(海水対応品)・架台(キャスター付)・配管(PVC)・バルブ・圧力計・流量計・温度計・制御盤 | 原水ポンプ(海水対応品)・架台(キャスター付)・配管(PVC)・バルブ・圧力計・流量計・温度計・制御盤 | 原水ポンプ(海水対応品)・架台(キャスター付)・配管(PVC)・バルブ・圧力計・流量計・温度計・制御盤 |
| 原水流量(*1) | 6.7~13.3㎥/hr | 1.9~3.8㎥/hr | 1.9~3.8㎥/hr |
| ろ過水流量(*2) | 5.1~13.3㎥/hr | 1.7~4.4㎥/hr | 0.33~0.55㎥/hr |
| 運転最低液量(*3) | 30~40L | 20~30L | 20~30L |
| 電源 | 200V Φ3 50/60Hz | 200V Φ3 50/60Hz | 200V Φ3 50/60Hz |
| 運転方法 | 手動運転(伏流洗浄機能・インターロック付き) | 手動運転(伏流洗浄機能・インターロック付き) | 手動運転(伏流洗浄機能・インターロック付き) |
|
オプション設備・機能 (追加料金) |
・原水タンク(濃縮タンク) ・ろ過水タンク ・逆圧洗浄機能(洗浄用の設備一式:逆洗ポンプ/配管/バルブ/圧力計/流量計など) ・自動運転制御 |
・原水タンク(濃縮タンク) ・ろ過水タンク ・逆圧洗浄機能(洗浄用の設備一式:逆洗ポンプ/配管/バルブ/圧力計/流量計など) ・自動運転制御 |
・原水タンク(濃縮タンク) ・ろ過水タンク ・逆圧洗浄機能(洗浄用の設備一式:逆洗ポンプ/配管/バルブ/圧力計/流量計など) ・自動運転制御 |
*1:膜面線速0.5~1.0m/sで運転した場合の参考値
*2:入口圧力0.1MPa、水温25℃の純水を全量ろ過した場合の参考値
*3:運転最低液量は装置の稼働に最低限必要な原液量を指し、使用するタンクによって異なります。